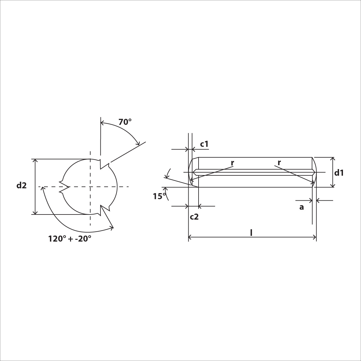
Unter der ISO 8740 findet man Zylinderkerbstifte. Sie gehören zur Familie der Stifte und entsprechen der DIN 1473.
Aufbau
Bei Stiften der ISO-Norm 8740 sind, wie bei allen Kerbstiften, in den Umfang Kerben eingebracht. Die Besonderheit bei Stiften der ISO-Norm 1473 liegt darin, dass die Kerben über die gesamte Länge des Stiftes verlaufen. Auch bei starker Vibration sorgen diese Kerben für einen Halt der Verbindungsstifte.
Verbindungsstifte kommen bei der Lagefixierung und der Kraftübertragung zum Einsatz. Bei der Lagefixierung dienen sie zur Positionierung. Sie sollen die spätere Verbindung der Teile sicherstellen und werden zum Fixieren eingeschlagen. In diesem Fall findet die Kraftübertragung durch andere Elemente, wie zum Beispiel Schrauben statt. Werden die Stifte zur Kraftübertragung eingesetzt, sind sie tragendes Element und sorgen für eine scherfeste Verbindung zwischen den Maschinenteilen.
Material
Zylinderkerbstifte der ISO 8740 bieten wir Ihnen in unserem Shop aus Stahl blank und Edelstahl an.
ISO 8740 Technische Daten
d1
1,5
2
2,5
3
4
5
6
8
10
12
d2
1,60-1,63
2,10-2,15
2,60-2,70
3,20-3,30
4,15-4,30
5,15-5,30
6,15-6,35
8,20-8,40
10,20-10,45
12,25-12,50
c
0,2
0,25
0,3
0,4
0,5
0,63
0,85
1
1,2
1,6
Wie wir Cookies & Co nutzen
Durch Klicken auf „Alle akzeptieren“ gestatten Sie den Einsatz folgender Dienste auf unserer Website: YouTube, Vimeo, ReCaptcha, Brevo, Google Kundenrezensionen, Google Analytics 4, Google Ads Conversion Tracking, PayPal Express Checkout und Ratenzahlung. Sie können die Einstellung jederzeit ändern (Fingerabdruck-Icon links unten). Weitere Details finden Sie unter Konfigurieren und in unserer Datenschutzerklärung.
Datenschutz-Einstellungen
Einstellungen, die Sie hier vornehmen, werden auf Ihrem Endgerät im „Local Storage“ gespeichert und sind beim nächsten Besuch unseres Onlineshops wieder aktiv. Sie können diese Einstellungen jederzeit ändern (Fingerabdruck-Icon links unten).
Informationen zur Cookie-Funktionsdauer sowie Details zu technisch notwendigen Cookies erhalten Sie in unserer Datenschutzerklärung.
Um Inhalte von YouTube auf dieser Seite zu entsperren, ist Ihre Zustimmung zur Datenweitergabe und
Speicherung von Drittanbieter-Cookies des Anbieters YouTube (Google) erforderlich.
Dies erlaubt uns,
unser Angebot sowie das Nutzererlebnis für Sie zu verbessern und interessanter auszugestalten.
Ohne
Ihre Zustimmung findet keine Datenweitergabe an YouTube statt, jedoch können die Funktionen von YouTube
dann auch nicht auf dieser Seite verwendet werden.
Um Inhalte von Vimeo auf dieser Seite zu entsperren, ist Ihre Zustimmung zur Datenweitergabe und
Speicherung von Drittanbieter-Cookies des Anbieters Vimeo erforderlich.
Dies erlaubt uns,
unser Angebot sowie das Nutzererlebnis für Sie zu verbessern und interessanter auszugestalten.
Ohne
Ihre Zustimmung findet keine Datenweitergabe an Vimeo statt, jedoch können die Funktionen von Vimeo
dann auch nicht auf dieser Seite verwendet werden.
Um Formulare auf dieser Seite absenden zu können, ist Ihre Zustimmung zur Datenweitergabe und Speicherung von Drittanbieter-Cookies des Anbieters Google erforderlich.
Durch Ihre Zustimmung wird reCAPTCHA, ein Dienst von Google zur Vermeidung von Formular-SPAM, eingebettet.
Dieser Dienst erlaubt uns die sichere Bereitstellung von Online-Formularen für unsere Kunden und schließt gleichzeitig SPAM-Bots aus, welche ansonsten unsere Services beeinträchtigen könnten.
Sie werden nach Ihrer Zustimmung unter Umständen dazu aufgefordert, eine Sicherheitsabfrage zu beantworten, um das Formular absenden zu können.
Stimmen Sie nicht zu, ist eine Nutzung dieses Formulars leider nicht möglich. Nehmen Sie bitte über einen alternativen Weg zu uns Kontakt auf.
Um Daten an Brevo zu übermitteln, ist Ihre Zustimmung zur Datenweitergabe und Speicherung von Drittanbieter-Cookies des Anbieters Brevo erforderlich. Dies erlaubt uns, unser Angebot sowie das Nutzererlebnis für Sie zu verbessern und interessanter auszugestalten.
Wir arbeiten mit Google im Rahmen des Programms „Google Kundenrezensionen“ zusammen. Dieses Programm gibt uns die Möglichkeit, Kundenrezensionen von Nutzern unserer Website einzuholen. Hierbei werden Sie nach einem Einkauf auf unserer Website gefragt, ob Sie an einer E-Mail-Umfrage von Google teilnehmen möchten. Wenn Sie Ihre Einwilligung gemäß Art. 6 Abs. 1 lit. a DSGVO erteilen, übermitteln wir Ihre E-Mail-Adresse an Google. Sie erhalten eine E-Mail von Google Kundenrezensionen, in der Sie gebeten werden, die Kauferfahrung auf unserer Website zu bewerten. Die von Ihnen abgegebene Bewertung wird anschließend mit unseren anderen Bewertungen zusammengefasst und in unserem Logo Google Kundenrezensionen sowie in unserem Merchant Center-Dashboard angezeigt. Außerdem wird Ihre Bewertung für Google Verkäuferbewertungen genutzt. Im Rahmen der Nutzung von Google Kundenrezensionen kann es auch zu einer Übermittlung von personenbezogenen Daten an die Server der Google LLC. in den USA kommen.
Sie können Ihre Einwilligung jederzeit durch eine Nachricht an den für die Datenverarbeitung Verantwortlichen oder gegenüber Google widerrufen.
Für den Fall der Übermittlung von personenbezogenen Daten an die Google LLC. mit Sitz in den USA, hat sich Google LLC. für das us-europäische Datenschutzübereinkommen „Privacy Shield“ zertifiziert, welches die Einhaltung des in der EU geltenden Datenschutzniveaus gewährleistet. Ein aktuelles Zertifikat kann hier eingesehen werden: https://www.privacyshield.gov/list
Im Rahmen der Nutzung werden ebenfalls "Google Fonts" eingebunden: Google Fonts ist ein Dienst, der es Websites ermöglicht, bestimmte Schriftarten für ihre Gestaltung zu verwenden. Dabei wird Ihre IP-Adresse Google bekannt gegeben.
Datenübertragung außerhalb der EU: Dieser Anbieter kann Ihre personenbezogenen Daten außerhalb des EWR/der EU übertragen, speichern oder verarbeiten. Diese Länder haben möglicherweise nicht das gleiche Datenschutzniveau und die Durchsetzung Ihrer Rechte kann eingeschränkt oder nicht möglich sein.
Verarbeitende Firma:
Google Ireland Limited, Gordon House, 4 Barrow St, Dublin, D04 E5W5, Irland
Erhobene Daten: anonymisierte IP Adresse, Datum und Uhrzeit des Besuchs, Nutzungsdaten, Klickpfad, App-Aktualisierungen, Browser Informationen, Geräte-Informationen, JavaScript-Support, Besuchte Seiten, Referrer URL, Standort-Informationen, Kaufaktivität, Widget-Interaktionen
Beschreibung:
Analyse
Verarbeitende Firma:
Google Ireland Ltd, Gordon House, Barrow Street, Dublin 4,IE
Mit dem Google Ads Conversion Tracking können wir unseren Werbeerfolg im Google Werbenetzwerk messen. Wir schalten Werbung im Google Werbenetzwerk, damit unsere Angebote besser gefunden werden. Wir versuchen dabei Werbung so optimal wie möglich zu gestalten. Auch um Werbekosten so gering wie möglich zu halten. Dies spiegelt sich in unseren Preisen wieder ;)
Erhobene Daten: zufallsgenerierte USER-ID
Beschreibung:
Marketing
Verarbeitende Firma:
Google Ireland Ltd, Gordon House, Barrow Street, Dublin 4,IE
Um Angebote zu erweiterten Zahlungsmöglichkeiten, insbesondere den Express-Checkout und die Zahlung in Raten, zu entsperren, benötigen wir Ihre Zustimmung zur Datenweitergabe und Speicherung von Drittanbieter-Cookies des Zahlungsanbieters PayPal. Dies erlaubt uns, Ihnen auch den Express-Checkout und die Ratenzahlung anzubieten. Ohne Ihre Zustimmung erfolgt nur die technisch notwendige Datenweitergabe an PayPal, jedoch können Sie die erweiterten Angebote zum Express-Checkout oder zur Ratenzahlung dann nicht auf dieser Seite verwenden.
Beschreibung:
Nutzung des Express Checkout und Anzeige von Angeboten zur Ratenzahlung für einzelne Artikel oder Ihren kompletten Einkauf.
Sie möchten diesen Inhalt sehen? Aktivieren Sie den gewünschten Inhalt einmalig oder legen Sie eine dauerhafte Freigabe fest. Bei Zustimmung werden Daten beim genannten Drittanbieter abgerufen. Dabei werden unter Umständen Drittanbieter-Cookies auf Ihrem Endgerät gespeichert. Sie können diese Einstellungen jederzeit ändern (Fingerabdruck-Icon links unten). Weitere Details finden Sie in unserer Datenschutzerklärung.